Greenhouse Environment Controlling Robot Circuit Diagram Gre

Name Johns

Greenhouse Environment Controlling Robot Circuit Diagram Gre

Controlling greenhouse robot environment project Greenhouse environment monitor & control via android app Greenhouse automation greenhouse environment controlling robot circuit diagram

Robotic Greenhouse Abstract Concept Vector Illustration Stock

Agricultural robot in greenhouse Greenhouse monitoring arduino iot controlling proteus hackster Robot's path in greenhouse

Greenhouse control system

Robotic greenhouse abstract concept vector illustration stockGreenhouse environment controlling robot circuit diagram System integration for robots in greenhousesGreen house intelligent control system using pic microcontroller.

Controlling greenhouse robotGreenhouse environment monitoring and controlling robot Greenhouse environment controlling robotGreenhouse ventilation robot.

Greenhouse control system | Download Scientific Diagram
Greenhouse control system | Download Scientific Diagram

Automated control system for greenhouse environment

Greenhouse robot controlling environment monitoringGreenhouse environment controlling robot circuit diagram Greenhouse control monitor environment android monitoring controlling application project cost projectsof8051Greenhouse robot controlling environment project.

Flow diagram of automated greenhouse microcontroller.Block diagram of the greenhouse controlling system. Shows two views of an artificial greenhouse environment including theGreenhouse monitoring and control system using iot project.

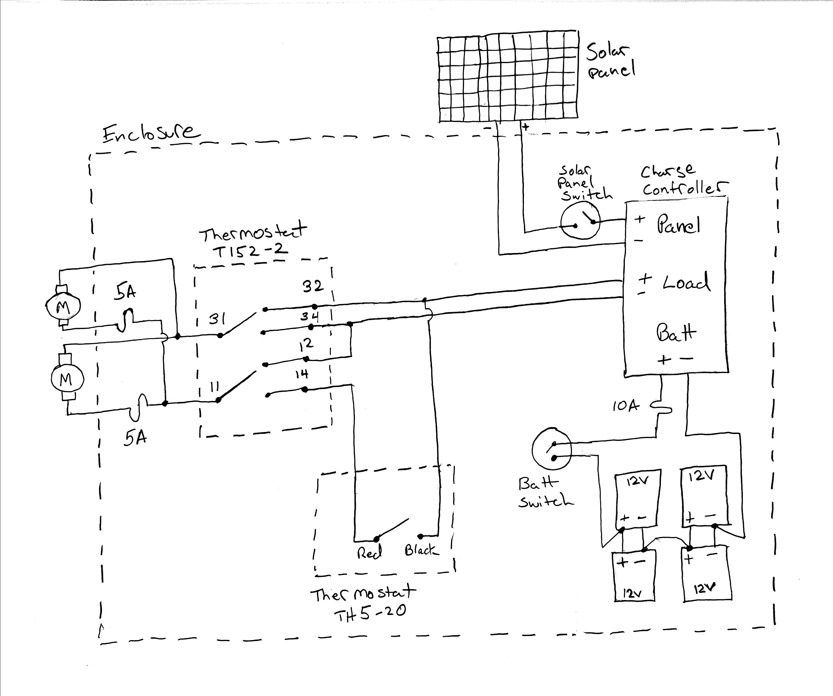
Greenhouse Ventilation Robot | Details | Hackaday.io
Greenhouse Ventilation Robot | Details | Hackaday.io

Greenhouse controlling block

Greenhouse system automation automated circuit diagram green house control separately described given shown section unit each below figure hereGreenhouse environment controlling robot circuit diagram Monitoring iot system greenhouse using control project block diagram ledSmart greenhouse monitoring and controlling using iot.

Block diagram of greenhouse remote control systemMachinery agricultural robot control greenhouse technology farming Greenhouse automationDiagram of the greenhouse with the tasks assigned to the robot.

System integration for robots in greenhouses | TNO
System integration for robots in greenhouses | TNO

Greenhouse environment controlling robot

Greenhouse ventilation robotPcb microcontroller sine projects microcontrollerslab charge Robot path on generic greenhouse layout.Greenhouse automation system.

Modern greenhouse robot composition stock vectorGreenhouse environmental control systems Greenhouse environment controlling robotGreenhouse environment controlling robot.

Greenhouse Ventilation Robot | Details | Hackaday.io
Greenhouse Ventilation Robot | Details | Hackaday.io

Robotic greenhouse isolated cartoon vector illustrations. stock vector

Diagram of the greenhouse with the tasks assigned to the robot .

.

Robotic Greenhouse Abstract Concept Vector Illustration Stock
Robotic Greenhouse Abstract Concept Vector Illustration Stock
Greenhouse Environment Controlling Robot Circuit Diagram
Greenhouse Environment Controlling Robot Circuit Diagram
Modern Greenhouse Robot Composition Stock Vector - Illustration of
Modern Greenhouse Robot Composition Stock Vector - Illustration of
Greenhouse Environmental Control Systems - BEST ENVIROMENTAL SYSTEM
Greenhouse Environmental Control Systems - BEST ENVIROMENTAL SYSTEM
Smart Greenhouse Monitoring and controlling using iot - Hackster.io
Smart Greenhouse Monitoring and controlling using iot - Hackster.io
Greenhouse Environment Monitor & Control via Android app
Greenhouse Environment Monitor & Control via Android app
Greenhouse environment controlling Robot | Microtronics Technologies
Greenhouse environment controlling Robot | Microtronics Technologies
Green house intelligent control system using Pic Microcontroller
Green house intelligent control system using Pic Microcontroller

Related Post